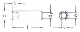
DIN
913 
*All measurements in millimeters (mm)*
| d | d1 max | t min | e | s |
| M2 | 1 | 0.8 | 1.003 | 0.9 |
| M2.5 | 1.5 | 1.2 | 1.427 | 1.3 |
| M3 | 2 | 1.2 | 1.73 | 1.5 |
| M4 | 2.5 | 1.5 | 2.3 | 2 |
| M5 | 3.5 | 2 | 2.87 | 2.5 |
| M6 | 4 | 2 | 3.44 | 3 |
| M8 | 5.5 | 3 | 4.58 | 4 |
| M10 | 7 | 4 | 5.72 | 5 |
| M12 | 8.5 | 4.8 | 6.86 | 6 |
| M14 | 10 | 5.6 | 6.86 | 6 |
| M16 | 12 | 6.4 | 9.15 | 8 |
| M20 | 15 | 8 | 11.43 | 10 |
| M24 | 18 | 10 | 13.72 | 12 |
All information is strictly informative